SE или однотактные схемы - это усилители, в которых сигнал усиливается одним усиливающим элементом (лампой, транзистором) последовательно на каждом каскаде. Эти системы работают в чистом классе А и ценятся многими аудиофилами благодаря их хорошей микродинамике и точности в представлении деталей. Простота также является преимуществом. Недостатками этих схем являются: низкая энергоэффективность (класс A), низкий коэффициент усиления, немного более высокий уровень искажений. Представляем здесь макет такого усилителя.
Предполагается, что это простая и дешевая система, которую можно построить имея минимальный опыт в электронике. Обычно самой дорогой частью лампового усилителя являются трансформаторы громкоговорителей, силовые трансформаторы и лампы. Поэтому, чтобы снизить затраты, предлагаем использовать акустические трансформаторы от старого лампового телевизора (понадобятся два). В таком телевизоре вы также найдете радиолампы, более мощные резисторы, некоторые высоковольтные конденсаторы также пригодятся.
Лампы, необходимые для создания этого усилителя, можно также достать разобрав старое радио. Сетевые трансформаторы можно намотать или купить. Конечно это не Hi-End усилитель, а простой усилитель для начинающих, но звук уже будет заметно отличаться от "кремния". Хотя качество звука в ламповых усилителях сильно зависит от трансформаторов громкоговорителей. Предлагаемые для сборки небольшие трансформаторы, используемые в ламповых телевизорах, не имеют очень хороших частотных параметров. Реально хороший трансформатор большой, тяжелый и довольно дорогой.
Схема усилителя на 6П14П + 6Н2П

Список элементов
Усилитель
- R1, R1A - 1 кОм,
- R2, R2A - 470 кОм,
- R3, R3A - 150 кОм,
- R4, R4A - 1-1,5 кОм,
- R5, R5A - 150-200 кОм
- R6, R6A - 470 кОм,
- R7, R7A - 1 кОм,
- R8 - 500-1000 Ом, отрегулируйте ток сетки, чтобы он не превышал 5 мА,
- R9, R9A - 120-180 Ом, подберите для получения нужного тока катода,
- R10, R10A - 5-20 кОм,
- R11 - 10-20 кОм,
- P - 2x47 кОм / логарифмический,
- C1, C1A - 100 мкФ / 16 В,
- C2, C2A - 100-220 нФ / 250 В,
- C3 - 100 нФ / 400 В,
- C4 - 47 мкФ / 400 В,
- C5, C5A - 100 мкФ / 25 В,
- C7 - 33-100 пФ, выбрать чтобы он не срезал высокие частоты и сигнал осциллографа был правильным,
- C6, C6A - около 1 нФ / 250 В припаять непосредственно к выходам трансформатора громкоговорителя.
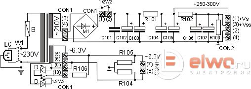
Блок питания
- R101 - 400-1000 Ом / 5 Вт,
- R102, - 3-5 кОм / 1 Вт,
- R103 - 270 кОм / 0,5 Вт,
- R106 - 0,8-1,5 кОм чтобы светодиод светил достаточно ярко,
- R104, R105 - 100 Ом,
- C101 - 100 нФ / 400 В, C102, C103, C104, 105 - 100 мкФ / 400 В,
- C106, C107 - 47 мкФ / 400 В,
- M1 - диодный мост выпрямитель 5-10 А / 600 В,
- трансформатор питания 220 В / 250 В - 0,15 А, 6,3 В - 2,5 A.
Схема очень проста. На рисунке показан один канал, другой идентичен. Сигнал со входа через потенциометр P подается на триоды малой мощности (L1), работающие в схеме с общим катодом. После усиления на пентод (L2) подается через конденсатор C2. Трансформатор громкоговорителя (его анодная обмотка) является нагрузкой для этой лампы. Вторичные обмотки трансформатора позволяют питать динамик или наушники.

Усилитель охвачен петлей отрицательной обратной связи, которая уменьшает искажения и расширяет частотную характеристику. Однако это делается за счет усиления. Обратная связь берется с выхода динамика трансформатора и через резистор R10 подается на катод первой лампы (L1). Конденсатор С7 используется для возможной фазовой коррекции. Конденсаторы C3, C4 и резистор R11 образуют фильтр для предотвращения возбуждения усилителя. Аналогичную роль играют резисторы R1 и R7 в цепях ламповых сеток.

Радиолампа L2 может работать в двух режимах - пентод и триод. Режим пентод более мощный, с большим искажением. Режим триода менее эффективен, но имеет меньше искажений. Изменение режима работы может быть сделано с резистором R8. Он в режиме триода должен иметь небольшое значение - обычно это 100 Ом. Если хотим использовать режим пентод для работы усилителя, подключаем R8 как показано на схеме. Можно дать и более высокое значение но так, чтобы ток, протекающий через сетку 2, был немного меньше 5 мА. Как правило значение резистора составляет 500-1000 Ом.

Для подключения громкоговорителей необходим трансформатор, который изменит высокое напряжение в анодной цепи подходящим для сопротивления динамиков или наушников. Для этой цели идеально подходят популярные и простые в добыче трансформаторы из старого лампового телевизора. Естественно понадобится два, по одному на канал.

Можете поэкспериментировать с другими лампами, вместо 6П14П использовать более мощные пентоды (например 6L6 или другие) но помните, что это требует изменения напряжения питания, силовой трансформатор должен иметь также большую мощность. Значения элементов, определяющих рабочую точку лампы, тоже должны быть соответствующим образом подобраны, и трансформаторы АС должны быть адаптированы к типу ламп. Схемы таких усилителей можно легко найти на нашем сайте.
Блок питания усилителя
Блок питания тоже не сложный. Анодное напряжение выпрямляется с помощью моста и фильтруется RC-фильтром, состоящим из резисторов R101-R102 и конденсаторов C101-C107. Резистор R108 разряжает высоковольтные конденсаторы после выключения питания.

Резисторы R105, R104 симметрируют напряжение накала на землю, так что шум сети, слышимый в динамиках, должен быть минимален. Резистор R101 довольно сильно нагревается, поэтому для лучшего отвода тепла его можно разместить на небольшом радиаторе, либо два сразу подключить - последовательно или параллельно (путем выбора сопротивления отдельных резисторов соответственно). Этот источник питания обеспечивает питание одновременно обоих каналов УНЧ.

После включения усилитель должен прогреться несколько минут, чтобы стабилизировались токи протекающие через лампы. Резисторы R101 и R102 в блоке питания, а также R9 и R9A на лампах будут нагреваться до высокой температуры, это нормально. Однако если в воздухе есть запах выжженного лака и видим, что краска на одном из резисторов меняет цвет, значит у резистора слишком мало запаса. В этом случае его следует заменить на такой же по номиналу, но с большей мощностью. После более длительного периода работы снова проверяем напряжение питания и падение напряжения на катодных резисторах ламп. Производим коррекцию анодных токов лампы L2 (L2A).
Печатные платы УНЧ

Можно собрать УНЧ навесным монтажом, а можно на платах печатных. На чертеже плат с лампами отмечен способ соединения с другими элементами усилителя (потенциометр, трансформаторы). Все соединения выполнены с использованием витой пары, то есть пары жестко скрученных проводов. Это должно устранить или, по крайней мере, уменьшить наведенный шум в проводах.

В основе металлическое шасси. Позади трансформаторов громкоговорителей находится тороидальный силовой трансформатор, помещенный в металлическую банку, которая уменьшает сетевые помехи, распространяемые этим трансформатором.

Усилитель действительно играет тепло и как-то по-другому, у него большая глубина звука, больше объём. Хотя он даёт только 2 Вт мощности, звучание идеально подходит для небольшой комнаты!
Внимание! Электронные устройства обычно питаются от сети 220 В. Сетевое напряжение опасно, поэтому используйте хорошо продуманные решения конструкций, чтобы не подвергать себя и других пользователей поражению электрическим током. В ламповых устройствах также имеются высокие напряжения. Производите любые регулировки только когда источник питания выключен и после разрядки высоковольтных конденсаторов. Лампы и некоторые резисторы нагреваются до высоких температур.
Лампы из-за высокого входного сопротивления очень чувствительны к внешним помехам. Поэтому используйте экранированные кабели. Металл, подключенный к массе корпуса усилителя, защитит усилитель от ловли внешних помех.
Автор: https://elwo.ru
|
| |
|
Радиолампы, использованные в статье:
- 6П14П
- 6Н2П
|
Комментарии к статьям на сайте временно отключены по причине огромного количества спама.