Высококачественный усилитель
Выходная мощность 12 Вт,
коэффициент нелинейных искажений на частоте 1000 Гц 0,4%, а на НЧ и ВЧ -
1,3%, чувствительность - 100 мВ.
Усилитель имеет раздельные регулировки тембра, причем
диапазон регулировки на частоте 50 Гц составляет 18 дБ и на частоте 20
кГц - 15...25 дБ (рис.8).

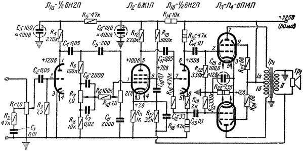
Рис.7
В среднем положении регуляторов тембра неравномерность
частотной характеристики в полосе частот 20 Гц...30 кГц не превышает 1 дБ.

Рис.8

Рис.9. Зависимость
коэффициента нелинейных искажений от частоты
Входной сигнал через компенсированный регулятор громкости
R1 поступает на сетку лампы (6Н2П) первого каскада усилителя
(рис.7) и далее на второй каскад
усилителя, выполненный на пентоде 6Ж1П. Регулировка тембра в области высших
частот производится потенциометром R7, а в области низших - потенциометром
R10.
Фазоинвертор собран с разделенной нагрузкой на половине
триода 6Н2П (Л1б). Двухтактный выходной каскад выполнен на лампах 6П14П и
работает в режиме класса АВ. Три последних каскада усилителя охвачены
отрицательной обратной связью, напряжение которой с обмотки II выходного
трансформатора подается в цепь катода лампы Л2 второго каскада усилителя.
Выходной трансформатор имеет те же данные, что и в
предыдущем усилителе.
В.Большов. "Радио"
№7/1960 год
|
| |
|
Радиолампы, использованные в статье:
- 6Н2П
- 6Ж1П
- 6Н2П
- 6П14П
|
Комментарии к статьям на сайте временно отключены по причине огромного количества спама.