На главную Прислать статью Форум Ссылки Обратная связь
 


Вылечить кариес в Китае, информация на https://www.stomsuper.com/.

Ламповые сверхрегенераторы с низковольтным питанием

Крайняя простота схем сверхрегенеративных радиоприемников, достаточная легкость их настройки, возможность приема как на AM, так и ЧМ (широкополосной) сделала такие приемники весьма популярными.

Вместе с тем особенности работы таких приемников и на сегодняшний день остаются до конца не исследованными. И это несмотря на то, что основополагающие принципы конструирования их в свое время изучались достаточно полно [1, 2].

Исследования принципиально новых конструкций сверхрегенераторов на транзисторах [3...8] позволили выявить новые возможности приемников этого типа.

Однако сверхрегенеративные приемники на лампах остаются пока еще мало исследованными.

Поскольку большинство автогенераторов (как на транзисторах, так и на лампах) можно перевести в сверхрегенеративный режим, т.е. построить на их основе сверхрегенеративные приемники, будет полезно рассмотреть схему сверхрегенеративного приемника на лампах, особенно с низковольтным питанием анода (+12 В).

В [9] рассматривался LC-автогенератор на лампе с низковольтным питанием на частоту около 30 МГц.

Переведем такой LC-автогенератор с низковольтным питанием в режим прерывистой генерации, позволяющий при соблюдении ряда известных условий получить из автогенератора сверхрегенератор.

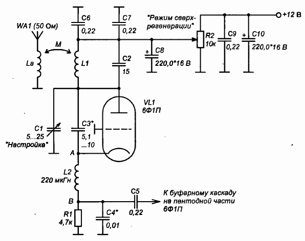
Конструкция лампового сверхрегенератора с низковольтным питанием приведена на рис. 1. Как видно, данная схема близка к классической высоковольтной схеме сверхрегенеративного приемника. Методы настройки такой схемы аналогичны методам настройки схемы высоковольтной, поэтому подробно останавливаться на них не будем.

Ламповые сверхрегенераторы с низковольтным питанием

Рис.1

В конструкции использовались практически те же детали, что и в LC-автогенераторе на 30 МГц [9].

В качестве УНЧ автор использовал УНЧ приемника прямого преобразования, как и в других своих конструкциях сверхрегенераторов.

При испытаниях конструкции в условиях реального эфира при использовании низкоомных антенн (50 Ом) наилучший результат показал вариант индуктивной связи приемника с антенной (см. рис. 1). При этом контурная катушка и катушка связи с антенной La располагались согласно рис. 2.

Ламповые сверхрегенераторы с низковольтным питанием

Рис. 2

Для регулировки связи с антенной катушку La можно отклонять от L1. При более тщательной настройке также следует подобрать число витков катушки La.

В случае высокоомных антенн (например, проводников длиной менее 1 м) можно использовать и емкостную связь (см. рис. 3).

Ламповые сверхрегенераторы с низковольтным питанием

Рис. 3

Достаточно хорошее согласование с приемником при емкостной связи достигается и в случае использования низкоомных (50 Ом) антенн. Однако для этого дополнительно следует включить резистор Ra с сопротивлением, равным волновому сопротивлению антенны 50...51 Ом (см. рис. 3). Вместе с тем, при любом исполнении входной части необходимо, чтобы изменение параметров антенны не влияло (влияло крайне слабо) на работу приемника. Так, прикосновение к антенне рукой не должно изменять частоту настройки приемника и, тем более приводить к срыву сверхрегенеративного режима.

Как известно, ламповые конструкции сверхрегенераторов (как высоковольтные, так и низковольтные) обладают существенными преимуществами по сравнению с твердотельными конструкциями сверхрегенераторов (на транзисторах, туннельных диодах и пр.)

К таким преимуществам следует, прежде всего, отнести их значительно большую чувствительность и селективность (относительно узкую полосу), меньшие искажения огибающей модулирующего (НЧ) сигнала, и др.

Исследование работы схемы сверхрегенератора при положении катушек La и L1 согласно рис. 2 показало, что чувствительность приемника составляет 1,5...2 микровольта (50 Ом/50 Ом).

При 90% глубине модуляции AM сигнала удавалось даже разобрать сигналы с уровнем, несколько меньшим 0,5 микровольта, т.е. удавалось еще принимать речевое сообщение.

В то же время при сравнимых условиях подобные приемники на транзисторах имеют чувствительность в среднем 50 микровольт. Таким образом, ламповый сверхрегенератор примерно в 25...30 раз более чувствительный, чем сверхрегенератор на биполярных транзисторах.

Отметим, что сверхрегенераторы на полевых транзисторах занимают по чувствительности промежуточное положение между ламповыми конструкциями и конструкциями на биполярных транзисторах.

Чувствительность и селективность ("острота" настройки) лампового сверхрегенератора с низковольтным питанием находятся между собой в прямо пропорциональном соотношении (чем больше чувствительность, тем выше и селективность), что, впрочем, свойственно и всем другим конструкциям сверхрегенераторов.

Большая чувствительность и селективность ламповых низковольтных сверхрегенераторов обусловлена очень высоким входным сопротивлением лампы по ВЧ.

Как видно из рис. 1, резистор R3 включен как делитель напряжения. Однако этот резистор можно включить и последовательно, как это показано на рис. 4.

Ламповые сверхрегенераторы с низковольтным питанием

Рис. 4

В этом случае номинал R3' подбирается уже опытным путем. При включении регулирующего резистора согласно рис. 4 схема сверхрегенератора потребляет от источника анодного питания весьма небольшой ток. В этой связи Требования к величине тока катода можно значительно снизить.

Так, если в распоряжении конструктора имеется радиолампа, ток накала которой всего несколько миллиампер, этого может быть достаточно для реализации схемы сверхрегенератора. Токопотребление такой схемы будет примерно таким, как и токопотребление маломощных транзисторных схем.

Далее рассмотрим еще одну схему низковольтного лампового сверхрегенератора с автосуперизацией (с автогашением, или внутренним гашением), которая представлена на рис. 5.

Ламповые сверхрегенераторы с низковольтным питанием

Рис. 5

Несмотря на то, что принцип работы предыдущей схемы (рис. 1) и схемы данной в общем одинаковы, тем не менее, собственно процесс суперизации этих схем различен.

В предыдущей схеме периодические вспышки колебаний ВЧ (суперизация) организуются прежде всего, за счет RC-цепи R2, С4* (и R3), однако не исключена возможность и участия в этом процессе и цепочки R1, С3.

Для того чтобы оценить вклад в суперизацию цепочки R1, С3, воспользуемся рекомендациями [10].

Так, для RC-цепи R1, С3 (т.н. гридлика) постоянная времени составляет

τR1C3 = 5,1 * 106 * 5,1 * 1011 = 2,601 * 10-4 (сек), что соответствует частоте суперизации

fSP = 1/tR1C3= 1/2,601 * 10-4 ≈ 3,8 (кГц).

Как известно [1, 2], частота автосуперизации для оптимальной работы сверхрегенератора составляет 10...1000 кГц.

В этой связи не исключена возможность, что и гридлик в схеме (рис. 1) может при определенных условиях принимать участие в процессе автосуперизации вместе с RC-цепью R2 (и R3) С4*. Однако в схеме, приведенной на рис. 5, суперизация происходит уже исключительно за счет гридлика R1, С3*!

Главенствующая роль гридлика R1, С3* в этом процессе подтверждается простым экспериментом: изменяя величину конденсатора С6 и/или С7 даже на порядок (например, в сторону увеличения соответствующих емкостей), мы практически не влияем на режим сверхрегенератора, в то время как увеличение (или уменьшение) величины С3* на порядок практически делает работу приемника невозможной.

Поскольку оптимальный сточки зрения приема режим сверхрегенератора реализуется при R1 ≈ 1 МОм... 100 кОм и С3* ≈ 1000 пФ, постоянная времени гридлика будет равна при R1 = 1 МОм

τR1C3* = 1 * 106 * 1000 * 10-12 = 1 * 10-3 (сек),

а при R1 =100 кОм

τR1C3* = 1 * 105 * 1000 * 10-12 = 1 * 10-4 (сек).

Исходя из этого, частота суперизации fSP будет находиться (крайне приблизительно) в пределах 1 ...10 кГц.

Следует учитывать, что в реальных условиях частота суперизации зависит от целого ряда факторов и значительно отличается от теоретической, рассчитанной через постоянную времени гридлика. Как показали проведенные ориентировочные расчеты, частота гашения (суперизации) невелика и намного меньше рабочей частоты (частота принимаемого сигнала), которая в данном случае составляет 3 * 107 Гц.

Стоит также отметить, что субъективно схема приемника (рис. 1) работает более устойчиво, чем приведенного на рис. 5. Это может быть связано с тем, что автосуперизация первого сверхрегенератора осуществляется более сложным способом (через RC-цепь анодного питания и, отчасти, через гридлик). Такая сложная автосуперизация, действующая и в анодной, и в сеточной цепи, по-видимому, и делает работу такого сверхрегенератора более стабильной, если сравнивать ее со случаем, когда автосуперизация происходит только в одной цепи - сеточной (см. рис. 5).

С другой стороны, принцип работы схемы, приведенной на рис. 5, значительно проще, чем у предыдущей схемы приемника. В этом случае в начале колебаний ВЧ напряжение на контуре L1, С1, С2 увеличивается.

После того, как ВЧ напряжение на контуре достигнет величины, когда появляется сеточный ток, участок "сетка-катод" 6Ф1П уже начинает работать как диод. Обозначив на рис. 5 направление мгновенных токов, можно видеть, что левая (по схеме) обкладка С3* заряжается положительным, а правая - отрицательным постоянным напряжением.

Таким образом, на сетке по отношению к катоду создается отрицательный потенциал, лампа закрывается, а генерация ВЧ прекращается. Колебания в контуре L1, С1, С2 становятся свободными и достаточно быстро затухают.

Конденсатор С3* постепенно разряжается через R1, вследствие чего отрицательный потенциал на сетке лампы уменьшается и, наконец, снова создаются условия для генерации...

Если в антенне приемника присутствует принимаемый сигнал, то под действием этого сигнала генератор запускается.

При отсутствии в антенне такого сигнала генератор также запускается, но несколько позже (под действием чисто случайных причин), вследствие чего и возникает известный суперный шум (см. также [4]).

Аналогичные конструкции контурной L1 и антенной La катушек, рекомендации по их взаимному расположению, а также видам используемых антенн обсуждались выше.

В данной схеме L1 имеет отвод примерно от 1/4 числа витков (считая от холодного конца), который непосредственно подключен к катоду лампы.

Чувствительность данной конструкции приемника примерно соответствует чувствительности приемника, рассмотренного выше. Отметим, что наличие в антенне более сильного принимаемого сигнала способствует и более раннему запуску генератора. Из этого отчасти следует, что чем более сильный сигнал присутствует в контуре приемника, тем чаще происходят вспышки ВЧ колебаний, т.е. больше становится частота суперизации.

Увеличивая номинал С3* в несколько раз, можно сделать слышимым сигнал суперизации в головных телефонах, что позволяет непосредственно исследовать изменение частоты автосуперизации в зависимости от силы принимаемых (входных) ВЧ колебаний. Такой режим работы уже позволяет выявить новые возможности сверхрегенераторов.

Так, традиционно считается, что сверхрегенеративные приемники могут принимать только AM и широкополосную FM, a CW, SSB, РМ и узкополосную FM принимать не могут (см., например, [1,2, 11, 12].

Однако при использовании режима работы сверхрегенератора, когда частота гашения (суперизации) лежит в звуковом диапазоне, возможен прием CW сигналов "на слух" ("нажатие" соответствует заметному изменению тона звука в головных телефонах). В этой связи проводимые исследования новых возможностей сверхрегенератора позволят осуществлять уверенный прием на CW, а также в дальнейшем на SSB, РМ и узкополосной FM.

Поскольку триод лампы 6Ф1П при заземлении сетки демонстрирует заметный ток анода (до 2 миллиампер) при напряжении анода +12 В [9], при построении ВЧ автогенератора на триоде на сетку этой лампы можно не подавать какого-либо постоянного напряжения!

Этот LC-автогенератор с заземленной сеткой также может быть переведен в режим прерывистой генерации, т.е. на основании такой схемы принципиально может быть изготовлен сверхрегенеративный приемник с автосуперизацией.

Поскольку транзисторный сверхрегенератор на основе LC-автогенератора с общей базой работает весьма устойчиво [13], то есть все предпосылки и для нормальной работы подобной ламповой схемы.

Реализация такой идеи представлена на рис. 6.

Ламповые сверхрегенераторы с низковольтным питанием

Рис. 6

Собственно, сам автогенератор реализуется на катушке L1, дросселе L2, конденсаторах С1, С2, С3, С5, С7, С8 и триодной части лампы 6Ф1П.

При С3 = 10 пФ автогенератор позволяет получить на колебательном контуре достаточно большую амплитуду ВЧ напряжения (значительно больше 6 В).

С точки зрения создания сверхрегенератора этот факт, скорее всего, может рассматриваться как определенный недостаток, поскольку в данном случае в антенну излучался бы слишком мощный сигнал, создающий помехи расположенным близко приемникам.

Однако, как оказалось, при переводе этого автогенератора в режим автосуперизации, мощность его (измеренная по величине анодного тока) значительно уменьшается. Так, если автогенератор потребляет от анодного источника ток 5 миллиампер, то перевод его в режим автосуперизации (по максимуму чувствительности и усиления приемника) снижает токопотребление до 0,25...0,05 миллиампер.

Расчет проводимой мощности ВЧ Р = u * i показывает, что при напряжении питания +12 В и токопотреблении 5 миллиампер получается значение Р1 = 60 милливатт, при токе 0,25 миллиампер - значение Р2 = 3 милливатта и, наконец, при токе 0,05 миллиампер - значение РЗ = 0,6 милливатт.

Таким образом, сверхрегенератор дает понижение проводимой ВЧ мощности от

Р1/Р2 = 60 мВт/3 мВт = 20 (раз)

и до

Р1/Р3 = 60 мВт/0,6 мВт = 100 (раз)!

Однако на самом деле излучаемая в эфир (через антенну) мощность снижается еще сильнее, чем дает расчет по проводимой мощности.

Тем не менее, сверхрегенератор все же следует снабдить каскадом УРЧ для устранения паразитного излучения в антенну. Однако в связи с тем, что в статье обсуждается лишь сама возможность построения лампового сверхрегенератора с низковольтным питанием на основе ВЧ автогенератора с заземленной сеткой, рассматривается только схема собственно приемника (без УРЧ).

В таком ламповом низковольтном сверхрегенераторе автосуперизацию удалось выполнить точно так же, как и в [13], т.е. с помощью параллельной RC-цепи (цепи автосуперизации R1, С4*). В данном случае участок "сетка-катод" лампы (триода) для ВЧ напряжения можно рассматривать как "вакуумный диод", который выпрямляет это ВЧ напряжение.

Через этот участок ток проходит только в том случае, когда потенциал сетки больше потенциала катода (направление ВЧ тока в этом случае показано на рис. 6 стрелкой).

Выпрямленное постоянное напряжение имеет уже полярность, обозначенную знаками "+" и "-".

При этом сетка по отношению к катоду имеет отрицательный потенциал, т.е. лампа этим выпрямленным напряжением будет закрываться, что периодически приводит к срыву ВЧ колебаний.

Схемы, приведенные на рис. 7, наглядно иллюстрируют этот процесс.

Ламповые сверхрегенераторы с низковольтным питанием

Рис. 7

В остальном автосуперизация протекает точно так же, как и в конструкции на рис. 5.

Для достижения максимальной чувствительности перемещают движок R1. Кроме того, при настройке схемы следует подобрать и величину С4*, а затем уточнить величину С3.

Катушки L1 и La и их взаимное расположение соответствуют аналогичным в рассмотренных выше конструкциях.

Регулирую величину индуктивной связи М, добиваемся компромисса между максимальной чувствительностью и устойчивостью работы приемника.

Следует учесть, что звуковые колебания с цепи автосуперизации R1, С4* можно снять (без нарушения работы приемника) только через весьма совершенный буферный каскад.

Поскольку использовалась лампа 6Ф1П (триод-пентод), пентодная ее часть собственно в сверхрегенераторе оставалась незадействованной. Поэтому на пентоде 6Ф1П был изготовлен усилитель НЧ с высоким входным сопротивлением.

При довольно низком анодном напряжении (+12 В) усиление пентода получилось небольшим. Поэтому усилитель НЧ в этом случае в большей степени выполняет роль совершенного буферного каскада для снятия НЧ напряжения с цепи автосуперизации, чем собственно усилителя.

Анализируя схему (рис. 6), следует также отметить, что цепь автосуперизации R1, С4* отделена от других цепей ВЧ дросселем (L2 = 220 мкГн). Поскольку при этом управляющая сетка триода оказывается заземленной (по ВЧ, по НЧ, по частоте автосуперизации и по постоянному току), то работа такого сверхрегенератора оказывается весьма устойчивой!

Поскольку за процессы автосуперизации отвечает только цепь R1, С4* (других цепей, отвечающих за явления гашения колебаний, больше нет), получаем очень простую регулировку такого сверхрегенератора.

Понятно, что устранение конденсатора С4* их схемы делает процесс автосуперизации невозможным. И если установить величину сопротивления R1 в несколько килоом (с помощью перемещения движка), то, по-видимому, можно будет осуществить принудительную супери-зацию схемы от внешнего генератора. Для этого генератор через емкость около 0,22 мкФ следует подключить к точке В схемы (см. рис. 6).

Изменяя частоту и напряжение внешней силы, можно исследовать работу сверхрегенератора с внешним гашением.

Как показали натурные испытания приемника, чувствительность его получилась достаточно высокой (несколько единиц микровольт), что на один... два порядка лучше чувствительности подобных сверхрегенераторов на транзисторах.

Дальнейшие модернизации рассматриваемой схемы (рис. 6) показали, что оптимальный режим работы сверхрегенератора можно устанавливать не только с помощью изменения сопротивления резистора в цепи автосуперизации (R1 в цепи R1, С4*).

Очевидно, что подстройку режима сверхрегенерации можно выполнять и по-другому. Так, параметры цепи автосуперизации можно зафиксировать, а оптимальный режим работы сверхрегенератора устанавливать путем изменения напряжения питания (анодного напряжения) схемы.

Такой вариант представлен на рис. 8. При этом такая схема обладает всеми характерными особенностями схемы предыдущей (см. рис. 6).

Ламповые сверхрегенераторы с низковольтным питанием

Рис. 8

Рассмотренные в [9] и данной статье схемы генераторов и сверхрегенераторов открывают путь для создания нового, весьма многочисленного класса ламповых универсальных устройств с низковольтным питанием.

Литература

1. Белкин М. К. Сверхрегенеративный радиоприем. - Киев, Техника, 1968.

2. Сверхрегенераторы. Под ред. М. К. Белкина. - М.: Радио и связь, 1983.

3. Артеменко В. Сверхрегенеративный приемник с барьерным режимом работы транзисторов. - Радиолюбитель KB и УКВ, 2002, №11, с. 36...39.

4. Артеменко В. Повышение качества работы сверхрегенеративных приемников. - Радиолюбитель KB и УКВ, 2004, №1, с. 33...36.

5. Артеменко В. Сверхрегенеративный приемник без УРЧ. - Радиолюбитель KB и УКВ, 2004, №1, с. 36...37.

6. Артеменко В. Сверхрегенеративный приемник на основе барьерного генератора. - Радиолюбитель KB и УКВ, 2004, №2, с. 35...36.

7. Артеменко В. Сверхрегенератор с коммутируемым LC-контуром. - Радиолюбитель, 2005, №2, с. 59.

8. Артеменко В. Сверхрегенератор с внешним запуском. - Радиолюбитель, 2005, №3, с. 54...55.

9. Артеменко В. Ламповые генераторы с низковольтным питанием. - Радиолюбитель, 2007, №7, с. 54...57.

10. Калинин В. И., Герштейн Г. М. Введение в радиофизику. - М.: ГИТТЛ, 1957.

11. Куприянович Л. И. Карманные радиостанции. - М. - Л.: ГЭИ, 1960.

12. Жеребцов И. П. Радиотехника. - М.: Связьиздат, 1963.

13. Путятин Н. Приемник - "контролер". - Радио, 1970, №3, с. 53, 55.


Автор: Владислав Артёменко, UT5UDJ (Радиолюбитель №8, 2007)




 
Радиолампы, использованные в статье:
  1. 6Ж5П
  2. 6Ф1П

Комментарии к статьям на сайте временно отключены по причине огромного количества спама.

 
views: 310 | users: 305
web3

При перепечатке материалов ссылка на первоисточник обязательна.

© 2006-2026 www.radiolamp.ru

Яндекс.Метрика