Описание частотного модулятора
и микрофонного усилителя к передатчику и методика их налаживания.
Радиолюбители используют для работы различные виды модуляции.
Помимо амплитудной модуляции (АМ), большое распостранение за последнее время
получает частотная модуляция (ЧМ). Наибольшее распостранение ЧМ получила при
работе в УКВ диапазоне.
Объясняется это тем, что все преимущества ЧМ можно
использовать при широкополосной частотной модуляции. При таком способе модуляции
девиация частоты достигает 20 кГц и более, что нельзя допустить на КВ.
Радиолюбители для работы на КВ используют узкополосную частотную модуляцию (NBFM).
При работе с NBFM отсутствуют помехи радиовещанию и телевидению, что наблюдается
при амплитудной модуляции всех видов (AM, DSB и SSB).
Это обстоятельство для многих коротковолновиков, живущих в
городах, явилось основной причиной перехода на ЧМ.
Другое преимущество узкополосной ЧМ заключается в том, что модуляционное
устройство выполнить значительно проще и можно ЧМ модулятор установить в любом
передатчике.
Отдаваемая в антенну мощность при NBFM оказывается значительно выше, чем при АМ.
И, наконец, полоса частот занимаемая передатчиком в эфире не
превышает полосы частот в случае с АМ при сохранении помехозащищенности и других
свойств присущих частотной модуляции.
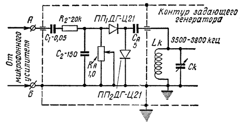
Частотный модулятор на лампе 6Х6С и микрофонный усилитель на
лампе 6Н9С смонтированны в блоке задающего генератора
(рис.1).

Рис.1
Микрофон угольный, высокоомный. При использовании
динамического микрофона применяется дополнительный усилитель НЧ. Можно
использовать схему с применением германиевых диодов
(рис.2).

Рис.2
Для налаживания частотного модулятора, кроме приемника с
хорошей избирательностью, нужно иметь ламповый вольтметр и, желательно, звуковой
генератор.
При отсутствии измерительной аппаратуры регулировать
частотный модулятор придется опытным путем с помощью ближайших корреспондентов.
Регулировка модулятора производится следующим образом: согласно графику
(рис.3) подбирается величина
сопротивления Rа. Если задающий генератор работает в одном диапазоне, т.е. на
160 м или 80 м, то Rа может быть постоянным, в зависимости от величины Ск
(емкости контура задающего генератора).

Рис.3
От правильности подбора величины Rа зависит линейность
девиации частоты, что особенно важно для приема на обычные КВ супергетеродины
без ЧМ детектора. Величина девиации зависит исключительно от напряжения звуковой
частоты подводимого к входу частотного модулятора (в точках АБ).
Максимальное напряжение НЧ для получения коэффициента
девиации 0,5 при работе задающего генератора на 160 м равно 8 В при Fзв = 500
Гц. При умножении частоты коэффициент девиации возростает пропорционально
умножению частоты.
Так, для получения индекса модуляции 2 на 10 м диапазоне
коэффициент девиации в задающем генераторе, работающим на диапазоне 80 м, должен
быть равен 0,25; трехкратное удвоение частоты приведет к увеличению девиации в 8
раз. При индексах модуляции 3...4 ширина полосы, занимаемой в эфире, не
превышает 10 кГц, а при меньших индексах - 7...5 кГц.
При работе на КВ не следует применять коэффициенты девиации
свыше 6, так как при этом возростает полоса занимаемых частот и увеличиваются
искажения при приеме без ЧМ детектора.
При коэффициентах девиации ниже двух и приеме без ЧМ детектора создается
впечатление "мелкой модуляции", усиливается действие помех.
Для облегчения регулировки величины девиации ручка
потенциометра R1 должна иметь указатель настройки. Первоначальная установка R1
должна производится с помощью звукового генератора. После того, как будут
получены удовлетворительные результаты, в одном из диапазонов следует ламповым
вольтметром измерить напряжение НЧ в точках АБ и отметить положения ручки
настройки R1, соответствующие кратному увеличению или уменьшению модулирующего
напряжения.
Необходимо помнить, что при умножении частоты неизменную
величину девиации можно сохранить, уменьшая соответственно напряжение НЧ.
Интенсивность звука в громкоговорителе, подключенном к
звуковому генератору (при Fзв = 500 Гц), следует установить приблизительно
одинаковой с громкостью голоса. Установив громкоговоритель пред микрофоном,
регулируют сопротивлением R1 силу звука на выходе приемника, прослушивая
одновременно через телефоны чистоту звука. При индексе модуляции 4 наименьшие
искажения при максимальной громкости сигнала возникают на частотах отстоящих на
+/-2 кГц от основной частоты. Максимальная девиация при этом будет равна 4800
Гц, а полоса частот в два раза больше, т.е. около 10 кГц.
Прием узкополосной ЧМ лучше вести с помощью специального ЧМ
детектора. На рис.4 показана
блок-схема включения к коротковолновому приемнику бесконтурного ЧМ детектора,
описанного в журнале "Радио" №1/1958 с.56.

Рис.4
К недостаткам применения ЧМ на сегодняшний день относится
отсутствие у большинства коротковолновиков детекторных приставок для приема NBFM.
Прием NBFM на обычные приемники в некоторых случаях не бывает уверенным.
Для приема NBFM на обычный приемник необходимо настроиться на
частоту несколько отличающуюся от несущей; следует отметить, что если УПЧ
приемника имеет слишком пологую характеристику, прием ЧМ оказывается
затруднительным или даже невозможным.
Большинство корреспондентов дают хорошие оценки разбираемости
узкополосной ЧМ, указывая в некоторых случаях на незначительные искажения, не
влияющие на разборчивость, и оценивая модуляцию 5...4. Коротковолновики, имеющие
ЧМ детекторы, вообще не делают замечаний о качестве модуляции.
Комментарии к статьям на сайте временно отключены по причине огромного количества спама.