На главную Форум Ссылки Обратная связь
 




катодный повторитель

Здесь Вы можете задать свои вопросы по азам ламповой техники.

катодный повторитель

Сообщение dsx 22 июл 2010 22:21

Хочется собрать усилитель для наушников. видел схему с 6С19П, она там в СРПП режиме работает. У меня всего 2 таких лампы, поэтому повторить такую схему не могу.
Вопрос в следующем: можно использовать ее в режиме катодного повторителя для работы на наушники по 32 ома. Если да, тогда киньте примерную практическую схему, теоретические мне известны
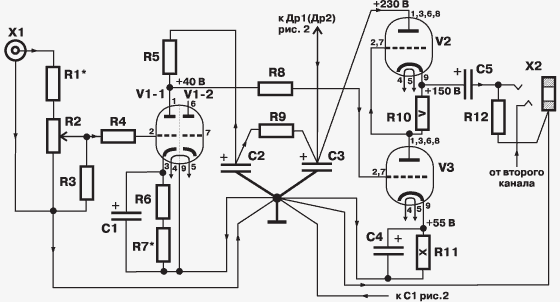
схема с СРПП в приложении
Вложения
telusil.gif
dsx
Пользователь
 
Сообщений: 5
Зарегистрирован: 04 май 2010 02:50

Re: катодный повторитель

Сообщение Admin 24 июл 2010 18:57

А вообще стоит ли делать именно на этих лампах? Про 6С19П ходят самые разные слухи, некоторым она нравиться, а другим - нет.

Предлагаю лучше сделать простую и надежную схему: http://www.radiolamp.ru/shem1/pages/41/.
Верь формулам, но доверяй только ушам своим ...
Аватар пользователя
Admin
Администратор
 
Сообщений: 596
Зарегистрирован: 24 янв 2009 11:43
Откуда: Россия, Казань
ФИО: Павел
Позывной: RU4PAA

Re: катодный повторитель

Сообщение dsx 25 июл 2010 03:07

Я такой уже собрал на 6н23п, сейчас трудится)))
Мнений много, хочется свое сложить, тем более у меня уже 2 такие ждут своей участи
и вообще какое у повторителя выходное сопротивление ( в среднем) и у српп (тоже в среднем)?
dsx
Пользователь
 
Сообщений: 5
Зарегистрирован: 04 май 2010 02:50

Re: катодный повторитель

Сообщение Admin 27 июл 2010 12:13

У повторителя - точно сказать не могу, там достаточно сложная формула расчета. А вот у СРПП вых. сопротивление примерно равняется Si/4
Верь формулам, но доверяй только ушам своим ...
Аватар пользователя
Admin
Администратор
 
Сообщений: 596
Зарегистрирован: 24 янв 2009 11:43
Откуда: Россия, Казань
ФИО: Павел
Позывной: RU4PAA

Re: катодный повторитель

Сообщение 3DMonstr 28 июл 2010 21:28

Ковырялся я с наушниками. На SSRP я даже не рассматривал. Повторитель Уайта тоже не устроил. Пришлось самому придумовать. Вот некоторые соображения: http://www.welva.ru/hb01preh.html
Часы должны быть механические, а усилитель ламповый.
Аватар пользователя
3DMonstr
Постоянный участник
 
Сообщений: 104
Зарегистрирован: 06 мар 2009 22:43
Откуда: Королев

Re: катодный повторитель

Сообщение AnMash 24 мар 2011 22:16

У любого повторителя с достаточной для практики точностью Rвых есть Rвх поделенное на безразмерный коэффициент усиления активного элемента. В случае лампы это мю, или Кус .
P.S. Если точнее, то Rвых = параллельному соединению Rвн \ Rкат \ Rвх, где Rвх = параллельное соединение Rвых предыдущего каскада (или R источника) и Rc. При сеточных сопротивлениях большой величины (>100 кОм) его можно не учитывать.
Rвых - выходное сопротивление кат.повторителя
Rвн - внутреннее сопротивление лампы в рабочей точке (приближенно можно брать табличные значения)
Rкат - сопротивление в катоде
Rс - сопротивление в цепи 1 сетки
мю или Кус - коэффициент усиления лампы в рабочей точке (приближенно можно брать табличные значения).
Кус = S х Rвн, где S - крутизна характеристики в рабочей точке (приближенно можно брать табличные значения)
AnMash
Пользователь
 
Сообщений: 6
Зарегистрирован: 01 сен 2010 23:40
ФИО: Машков Андрей Владиленович

Re: катодный повторитель

Сообщение Admin 27 мар 2011 21:03

Вообще катодный повторитель - вещь хорошая, но у меня почему-то он нормально не заработал. Вроде все рассчитал, все нормально, а согнал искажает жутко.
Верь формулам, но доверяй только ушам своим ...
Аватар пользователя
Admin
Администратор
 
Сообщений: 596
Зарегистрирован: 24 янв 2009 11:43
Откуда: Россия, Казань
ФИО: Павел
Позывной: RU4PAA


Вернуться в Начинающим

Кто сейчас на форуме

Сейчас этот форум просматривают: нет зарегистрированных пользователей и гости: 1



cron

При перепечатке материалов ссылка на первоисточник обязательна
© 2006-2025 www.radiolamp.ru

Счётчик тИЦ PR Яндекс.Метрика