На главную Форум Ссылки Обратная связь
 




мой 5.0 усилитель "нежить-мини"

мой 5.0 усилитель "нежить-мини"

Сообщение nezhit 11 сен 2009 20:54

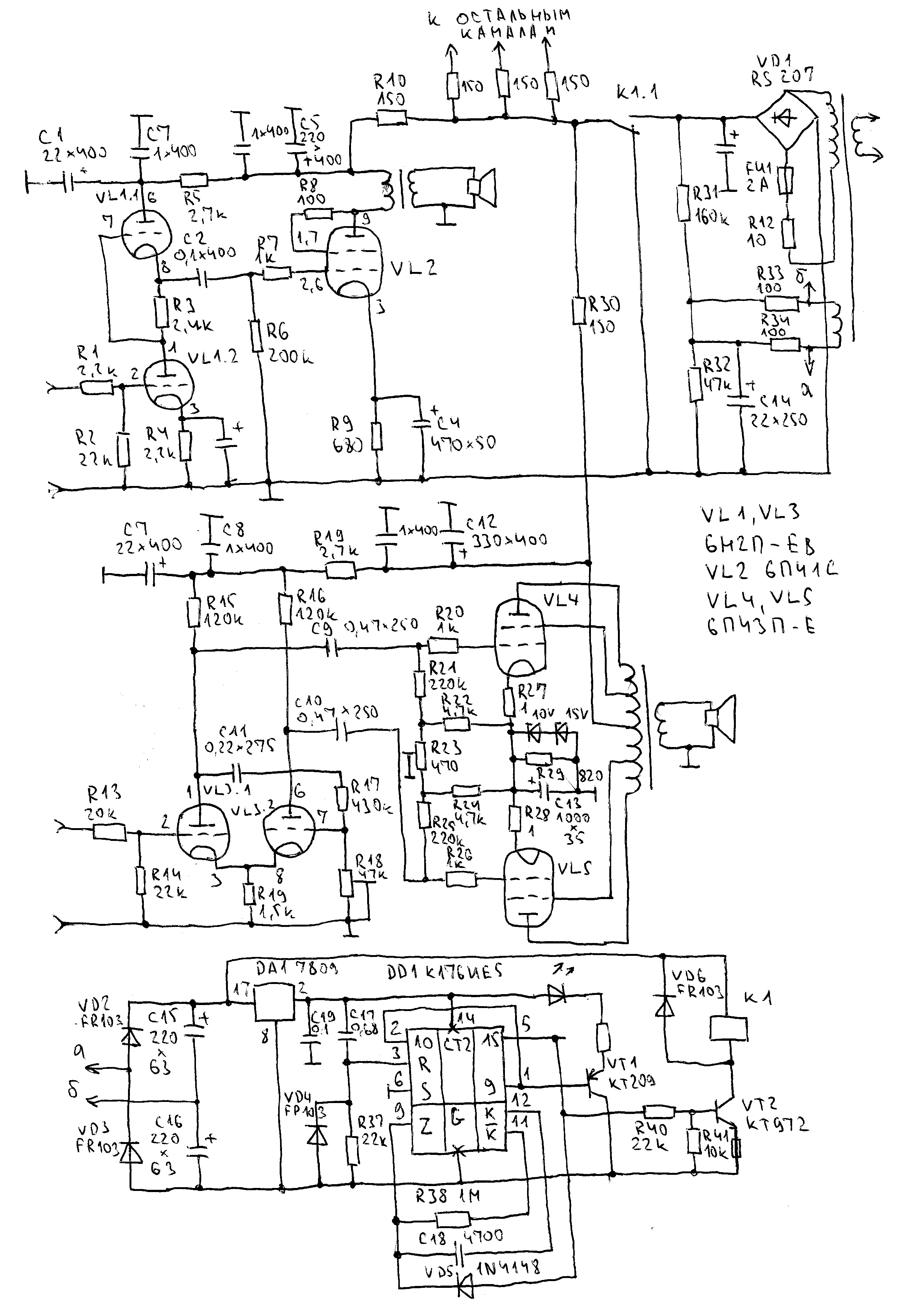
нарисовал полную схему своего первого усилителя. отдельно об однотактнике и устройстве задержки подачи анодного я уже писал. про двухтактник могу сказать, что схема входного каскада была стырена у Анатолия Манакова, выход - у Сергея Комарова. + к этому добавлен стабилитрон в катоды мощных ламп. (мне так больше понравилось).
Вложения
2009-09-11 20-44-57_0012.jpg
всем радистам - по 73!!!
Аватар пользователя
nezhit
Постоянный участник
 
Сообщений: 82
Зарегистрирован: 30 май 2009 20:52
Откуда: Рыбинск

Re: мой 5.0 усилитель "нежить-мини"

Сообщение Grigori 11 сен 2009 22:49

Нормально,молодец.
Входной каскад-катодный повторитель Уайта(не Манакова).
Как звук?
Grigori
Завсегдатый
 
Сообщений: 160
Зарегистрирован: 05 фев 2009 00:09
Откуда: Украина,Макеевка

Re: мой 5.0 усилитель "нежить-мини"

Сообщение nezhit 11 сен 2009 23:01

насчёт Уайта - это я не знал. Буду исправляться :)
звук хороший, значительно лучше, чем у Барк-068. (больше не с чем сравнивать)
сейчас буду немного дорабатывать свои СВЕНовские колонки (пока только конденсаторы в фильтрах перепаял, да фазоинверторы позатыкал тряпками. без этих двух процедур их просто слушать невозможно было).
всем радистам - по 73!!!
Аватар пользователя
nezhit
Постоянный участник
 
Сообщений: 82
Зарегистрирован: 30 май 2009 20:52
Откуда: Рыбинск


Вернуться в Схемотехника ламповых усилителей

Кто сейчас на форуме

Сейчас этот форум просматривают: нет зарегистрированных пользователей и гости: 1



cron

При перепечатке материалов ссылка на первоисточник обязательна
© 2006-2026 www.radiolamp.ru

Счётчик тИЦ PR Яндекс.Метрика