| |
nezhit 08 сен 2009 19:17
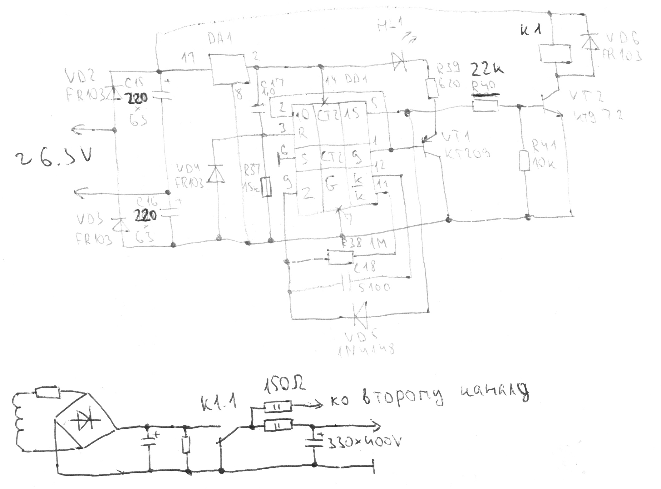
сотворил вот такую схемку. работает. умеет мигать сетевым индикатором во время задержки. не требует для себя лишних обмоток сетевого трансформатора. не содержит времязадающих цепей с огромными конденсаторами, которые я с детства не люблю.
- Вложения
-

- DA1 - 7809, dd1 - k176ие5
всем радистам - по 73!!!
-

nezhit
- Постоянный участник
-
- Сообщений: 82
- Зарегистрирован: 30 май 2009 20:52
- Откуда: Рыбинск
-
Grigori 08 сен 2009 21:19
Не проще спаять "электронный дроссель"? Сразу и задержка анодного.
-
Grigori
- Завсегдатый
-
- Сообщений: 160
- Зарегистрирован: 05 фев 2009 00:09
- Откуда: Украина,Макеевка
nezhit 09 сен 2009 08:48
мне и этой RC фильтрации хватило вполне. зато тут ещё и быстрый разряд анодных конденсаторов реализован. и задержкой подачи анодного можно варьировать в каких угодно пределах. з.ы. а электронный дроссель я попробую в следующих конструкциях. может даже в сочетании с этой своей разработкой 
всем радистам - по 73!!!
-

nezhit
- Постоянный участник
-
- Сообщений: 82
- Зарегистрирован: 30 май 2009 20:52
- Откуда: Рыбинск
-
Grigori 09 сен 2009 16:51
Дроссель проще,а разрядники можно и там поставить. Буду рад видеть новые конструкции.
-
Grigori
- Завсегдатый
-
- Сообщений: 160
- Зарегистрирован: 05 фев 2009 00:09
- Откуда: Украина,Макеевка
nezhit 10 сен 2009 07:06
Grigori писал(а):Буду рад видеть новые конструкции.
дык я ещё про старую не всё рассказал: схему однотактника давал, устройства задержки - тоже. а вот схемой двухтактника я ещё не делился 
всем радистам - по 73!!!
-

nezhit
- Постоянный участник
-
- Сообщений: 82
- Зарегистрирован: 30 май 2009 20:52
- Откуда: Рыбинск
-
Grigori 10 сен 2009 18:45
Схему в студию!
-
Grigori
- Завсегдатый
-
- Сообщений: 160
- Зарегистрирован: 05 фев 2009 00:09
- Откуда: Украина,Макеевка
nezhit 10 сен 2009 20:08
завтра попробую нарисовать, а то она у меня вся перекаляканая 
всем радистам - по 73!!!
-

nezhit
- Постоянный участник
-
- Сообщений: 82
- Зарегистрирован: 30 май 2009 20:52
- Откуда: Рыбинск
-
Доктор 01 дек 2009 13:09
Устройство не только бесполезное, но и по большей части даже вредное. Сколь либо аргументированных оснований для задержки анодного напряжение, не существует. Напротив: • Задержка питания в анодно-сеточных цепях приводит к тому, что переходной процесс связанный с зарядом разделительных конденсаторов вызывает чудовищный режим в сеточной цепи. А именно напряжение на управляющей сетке, принимает значение анодного напряжения предварительного каскада. При подаче анодного напряжения на холодную лампу этого не происходит. • Плавное нарастание напряжения увеличивают время переходного периода. • Отсутствие анодного напряжения приводит к возврату эммитированных катодом ионов, и создании оксидной пленки на поверхности катода вызывая его «отравление» но Так как при создании бытовых усилителей к лампам применяются весьма невысокие требования, и сроки эксплуатации весьма незначительные то серьезного ухудшения не происходит. Необходимость предварительного прогрева накалов возникает • При использовании ртутных выпрямителей. Они не вкючатся без нагрузки • В кенатронных выпрямителях, их нельзя включать без нагрузки • Сеансовой раоботе.
.
-
Доктор
- Пользователь
-
- Сообщений: 7
- Зарегистрирован: 23 окт 2009 14:29
-
nezhit 03 дек 2009 13:56
ну если так, то буду переделывать 
всем радистам - по 73!!!
-

nezhit
- Постоянный участник
-
- Сообщений: 82
- Зарегистрирован: 30 май 2009 20:52
- Откуда: Рыбинск
-
olrum 31 янв 2010 23:43
Нужное устройство.И полезное.Существенно продляет ресурс ламп. Единственно- необходимо установить время задержки подачи анодного напряжения по ТУ на вых.лампы. Обычно 90-120 сек. PS "Чудовищные" сеточные напряжения при пуске блока задержки анодного возникают в случае применения бракованных межкаскадных конденсаторов ,имеющих утечку и (или) неправильно организованного смещения вых.каскада.
-
olrum
- Пользователь
-
- Сообщений: 1
- Зарегистрирован: 31 янв 2010 23:20
-
Admin 01 фев 2010 00:52
Полностью согласен, что задержка анодного необходима. Во всех последних конструкция я ставлю задержку анодного. Где с помощью стабилизатора на полевом транзисторе, где с помощью реле, а где и просто кенотроном.
Верь формулам, но доверяй только ушам своим ...
-

Admin
- Администратор
-
- Сообщений: 596
- Зарегистрирован: 24 янв 2009 11:43
- Откуда: Россия, Казань
- ФИО: Павел
- Позывной: RU4PAA
-
3DMonstr 10 фев 2010 15:26
Полезная вещь, странны "наезды" Доктора. Единственное, я бы все сделал на крошечном микроконтроллере, дабы их под рукой больше, но это не важно:) Не спорю, я все таки больше цифровик - программист - микроконтрольщик, но: Задержка питания в анодно-сеточных цепях приводит к тому, что переходной процесс связанный с зарядом разделительных конденсаторов вызывает чудовищный режим в сеточной цепи. А именно напряжение на управляющей сетке, принимает значение анодного напряжения предварительного каскада. При подаче анодного напряжения на холодную лампу этого не происходит.
По схеме же образуется RC цепь, с постоянной времени 0.05с и плюс некоторые емкости в дальнейшей схеме, а межкаскадный конденсатор так же плавненько зарядиться сеточным током и ничего страшного не произойдет. Плавное нарастание напряжения увеличивают время переходного периода.
А нагрев катода - процесс не плавный? Извиняюсь, если я не так понял это замечание. Катод греется, ток нарастает. Отсутствие анодного напряжения приводит к возврату эммитированных катодом ионов, и создании оксидной пленки на поверхности катода вызывая его «отравление»
На сколько я помню, при не прогретом катоде и приложенном напряжении ионы вылетают намного чаще и катод разрушается быстрее. Как косвенный пример - в ламповых телевизорах то кинескопы много дольше служили. Там задержка автоматически получалась.
Часы должны быть механические, а усилитель ламповый.
-

3DMonstr
- Постоянный участник
-
- Сообщений: 104
- Зарегистрирован: 06 мар 2009 22:43
- Откуда: Королев
-
Доктор 03 мар 2010 14:53
По схеме же образуется RC цепь, с постоянной времени 0.05с и плюс некоторые емкости в дальнейшей схеме, а межкаскадный конденсатор так же плавненько зарядиться сеточным током и ничего страшного не произойдет.
пока межкаскадный конденсатор плавненько заряжается его сопротивление по постоянному току весьма незначительно И на сетке присутствует потенциал анода предидущего каскада А нагрев катода - процесс не плавный? Извиняюсь, если я не так понял это замечание. Катод греется, ток нарастает.
не совсем я писал при переходной процесс протекающий в цепи Анодного резистора предварительного каскада, Переходного конденсатора и Резистора в сеточной цепи . как пример R3R6C4 в схеме в момент заряда С4 а во время плавной подачи конденсатор будет непрерывно заряжатся на сетка будет присетствовать положительное смещение загоняющее лампу в тяжелейщий режим  На сколько я помню, при не прогретом катоде и приложенном напряжении ионы вылетают намного чаще и катод разрушается быстрее.
Выбо лучьше вспомнили где вы это безумие нашли и привели сцилочку. Получается ,что с прогревом катода эмиссия уменьшается может тогда и работать с холодными катодами, еще и на накале сэкономим Я в молодости занимался ремонтом ламповых телевизоров УЛПЦТ за 20 минут менял трубу и сводил, так вот за свою жизнь ламповый телевизор менял 2-3 трубы Сейчас на помойках полно телеков которые отработали весь ресурс а труба как новая если и меняют в мастерской трубы, так то битые. Задержка анодного напряжения вызывает отравление катодов,нежелательные переходные процессы и в целом сокращает срок жизни ламп. но даже еслибы было наоборот никакой необходимости в облегчении жизни лампам нет. Низкочастотные усилительные лампы живут крайне долго тк как не работают в ключевых режимах как это бывало в ламповых телеках.
-
Доктор
- Пользователь
-
- Сообщений: 7
- Зарегистрирован: 23 окт 2009 14:29
-
3DMonstr 08 мар 2010 19:57
Ну с переходным процессом то более менее понятно, обычно кроме цепи задержки еще и плавный пуск используют. Хотя для лампы то больше страшен долговременный процесс перегрузки. В отличии от вольфрамовых катодов, оксидные мало подвержены режиму насыщения (правильней сказать - опустошения электронного облака). В процессе увеличения тока, катод начинает разогреваться и его производительность повышается. Что рано или поздно приведет к разрушению покрытия. Тут же речь о миллисекундах. Просто ничего сломаться не успеет:) Про холодный катод. К сожалению, я не литератор, может быть не правильно выразился. И уж точно перепутал термины "отравление" и "разрушение". Тут каюсь, виноват. На самом деле 2 процесса: 1. Разрушение. Пока катод не разогрет, анодный ток отсутствует, поэтому на анодной нагрузке падение напряжения отсутствует, в силу чего анодное напряжение V достигает значения, равного полному напряжению высоковольтного источника питания. При нагревании катода эмитированные электроны устремляются к аноду, на сво-ем пути часть электронов сталкивается с молекулами остаточных газов и, обладая высокой энергией, производят ионизацию этих газов (анодное напряжение при этом изменяется пренебрежимо мало). Положительные ионы молекул газа устремляются к отрицательно заряженному катоду, и, обладая достаточной скоростью, бомбардируют его, разрушая поверхностный слой. Если этот процесс разрушения покрытия катода продолжается достаточно долго, то эмиссионное покрытие катода может быть в значительной степени повреждено, при этом катоды с оксидным покрытием могут повреждаться легче, чем вольфрамовые катоды с покрытием из тория. Поэтому, если амплитудное значение V превышает 2 кВ, предпочтительнее использовать лампы с тонированными катодами.
Именно разрушение я и имел ввиду, прочитав у Вас про ионы... И с чем борется схема задержки. И, собственно, отравление. Там уж никаких ионов не встречается. На самом деле, во многих источниках этот процесс описан некорректно. И Вами в том числе. Вот цитата: Второй проблемой катодов с оксидными покрытиями является, так называемое, отравление катодов. При высокой рабочей температуре катода, но при отсутствии тока лампы или его очень маленьких значениях, на поверхности раздела между оксидом бария и никелем, из которого изготовлен сам катод, образуется высокоомный промежуточный слой ортосиликата бария. Сопротивление промежуточного слоя сильно снижает эмиссионную способность покрытия, но более серьезным недостатком является то, что он увеличивает шумы, генерируемые лампой. Отравленные катоды могут быть постепенно восстановлены при работе лампы с высокими значениями анодного тока. Другим методом, часто используемым для электронных пушек обычных телевизионных кинескопов, является метод «омоложения», который заключается во временном повышении напряжения накала катода для увеличения его температуры нагрева и одновременном увеличении анодного тока. При использовании этого метода следует учитывать риск испарения части эмиссионного покрытия и загрязнения продуктами испарения расположенной рядом управляющей сетки.
Кстати, ссылка http://www.vsedlyashow.ru/Papers/lamp/lamp_0035.htmlА вот неправильное понимание процесса с другого форума: Атос: Основной причиной выхода из строя кинескопов является «отравление» катодов «Отравление» существенно снижает эммисию ионов с поверхности катода. Возникает оно по простой причине – отсутствие напряжения на аноде. Ионы эмитированные катодом возвращаются обратно на поверхность и создают «оксидную пленку» которая в свою очередь снижает эммисию. Существовали даже промышленные приборы для разрушения это "пленки". и много способов как это сделать в любительских условиях Ранее существовало две теории «объяснявшие» снижение эммисии: 1. Большой пусковой ток в момент включения «холодного» накала. 2. Подача высокого напряжения на холодный катод. На волне этих теорий и рождались псевдорешения проблемы, а именно плавное включение накала задержка анодного напряжения, дежурный накал. похоже вы имеете экземпляр с одним из таких вариантов Проблема отпала сама собой, когда накал кинескопа стали запитывать от строчного трансформатора. Сначала подаётся анодное напряжение, затем прогревается накал. Таким образом все эммитированные катодом ионы гарантированно попадают на анод Отравление катода при таком включении исключено.
И еще, Радиола ВЭФ РАДИО и подобные имеют интересную особенность. Боюсь ошибиться в мелочах, давно ее ремонтировал, Для выравнивания нагрузки по анодному току там применен такой хак: В режиме работы AM, анодное напряжение не подавалось на блок УКВ, а при работе УКВ, обесточивался анод триодной части 6И1П (гетеродин). И ничего, работало все долго, катод не сильно отравлялся. Что же касается кинескопов, тут причина не столько в физике накала, сколько в технологии. По крайней мере, у нашего рекорда 312 кинескоп ни разу не меняли, я его один раз восстанавливал (тогда еще классе в 7 учился). А телевизор был отдан родственникам и пережил нового владельца. После чего новые жильцы его выбросили на помойку. Честно, жалко его сейчас. Уж очень здорово он работал. В то же время у цветной Чайки 2xx (точно модель не помню), кинескоп слетел лет за 5. Телевизор заменили на "буржуйский". Он адекватно лет 8 показывал. Может быть и сейчас что то увидеть можно на нем, если включить. Технологии совершенствуются, жизнь продлевается. А как только жизнь становиться очень долгая, вводят "запрограммированную поломку". Бизнес, что тут поделать. Так вот, это, конечно, мое мнение, задержка не помешает. Не думаю, что сильно продлит срок жизни ламп. Единственное, сейчас я делаю задержку другого рода. Для облегчения жизни трансформатору. Вначале включается накал ламп выходного каскада, потом предварительных. А то гудел он, бедняга, в момент включения. А 2х крантый запас транса по мощности просто нерентабельно делать.
Часы должны быть механические, а усилитель ламповый.
-

3DMonstr
- Постоянный участник
-
- Сообщений: 104
- Зарегистрирован: 06 мар 2009 22:43
- Откуда: Королев
-
3DMonstr 09 мар 2010 11:22
Да, еще в догонку. К сожалению, сильно улучшить жизнь выходных ламп не получиться. Омическим сопротивлением трансформатора можно пренебречь, а падение напряжения на сопротивлении смещения в рабочем режиме несравнимо мало. Так что все равно к лампе будет приложено почти полное U питания. Но еще один аргумент в пользу задержки (по крайней мере для меня) - включение уже на прогретых лампах сразу дает хороший звук без переходных процессов. Очень часто бывает, что включаю вначале источник, а потом усилитель. Но это, скорее, эстетика:)
Часы должны быть механические, а усилитель ламповый.
-

3DMonstr
- Постоянный участник
-
- Сообщений: 104
- Зарегистрирован: 06 мар 2009 22:43
- Откуда: Королев
-
Доктор 21 мар 2010 00:02
А можно вместо двух неправильных мнений одну правильную ссылку на фундаментальные источники
-
Доктор
- Пользователь
-
- Сообщений: 7
- Зарегистрирован: 23 окт 2009 14:29
-
3DMonstr 21 мар 2010 19:30
А какого именно неправильного мнения? Пока мы "сремня" на форуме, человек сделал усилитель, слушает и радуется. Учитывая, что nezhit писал, что он новичек в ламповой технике, сделал он достойную вещь, без понтов (хотя с трансами можно было бы заморочиться посерьезней), а для души. Полный одобрямс. У меня уже куча вещей, а корпуса нет упорства делать, увлекаюсь новой идеей, а старые на полке ждут своего часа. Уважаемый Доктор, я, к сожалению, не знаю Вашего опыта в постойке ламповых изделий, но, мне кажется, что Вы опытный человек, но, не сочтите за оскорбление, немного ушедший в Hi-End как в область субъективного восприятия. За субъективизм я люблю и ненавижу это направление. Спору этому может положить конец только испытательный стенд. Где десяток, другой ламп включаются с задержкой, а другое равное количество - нет. Инструменты не соврут  Через 1000 включений, думаю, можно будет поймать разницу. И если я не прав, то приму свое поражение, и пивом проставлюсь.
Часы должны быть механические, а усилитель ламповый.
-

3DMonstr
- Постоянный участник
-
- Сообщений: 104
- Зарегистрирован: 06 мар 2009 22:43
- Откуда: Королев
-
Вернуться в Схемотехника ламповых усилителей
Сейчас этот форум просматривают: нет зарегистрированных пользователей и гости: 1
|
|
|