Конечно можно, хотя лампа немного привередливая. Я бы все-таки посоветовал начать с более "простых" ламп, например 6П14П или 6П3С - у них и звук хороший, и с режимами мучится не придется.
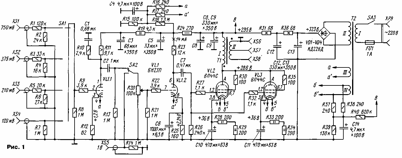
А схема на 6П44С пока подвернулась только одна:

- Схема усилителя на 6П44С
Верь формулам, но доверяй только ушам своим ...